Fanaleds

De Node Blue Wiki
(Différences entre les versions)
Aller à : Navigation, rechercher
Ligne 13 : Ligne 13 :
 
'''Pour la carte TBB_01 :''' Téléverser le fichier [http://www.electroseed.fr/downloads/fw/TBB_01/TBB_01_CSW_USB.hex TBB_01_CSW_USB.hex] dans votre Teensy LC.
 
'''Pour la carte TBB_01 :''' Téléverser le fichier [http://www.electroseed.fr/downloads/fw/TBB_01/TBB_01_CSW_USB.hex TBB_01_CSW_USB.hex] dans votre Teensy LC.
  
'''Pour la carte TBB_02 V1.2 :''' Téléverser le fichier [http://www.electroseed.fr/downloads/fw/TBB_02_v1.2_CSW_USB.hex TBB_02_v1.2_CSW_USB.hex] dans votre Teensy LC.
+
'''Pour la carte TBB_02 V1.2 :''' Téléverser le fichier [http://www.electroseed.fr/downloads/fw/TBB_02/TBB_02_v1.2_CSW_USB.hex TBB_02_v1.2_CSW_USB.hex] dans votre Teensy LC.
  
  

Version du 20 janvier 2018 à 18:05

Voici comment créer un périphérique jeu compatible avec le logiciel Fanaleds.

Ce tutoriel est dédié aux cartes TBB_01 ou TTB_02 (embarquée sur le volant) et au Leo24Dongle (branché au PC).

Pour le branchement sur les différentes roues Fanatec, vous trouverez des informations sur le github de Darknao.


Sommaire

Carte embarquée sur une roue Fanatec, version USB

Il n'y a pas de version Node Blue pour l'instant, cela nécessite une modification du core Tennsy. Mais voici les fichier compilés pour le Teensy LC :

Pour la carte TBB_01 : Téléverser le fichier TBB_01_CSW_USB.hex dans votre Teensy LC.

Pour la carte TBB_02 V1.2 : Téléverser le fichier TBB_02_v1.2_CSW_USB.hex dans votre Teensy LC.


Carte embarquée sur une roue Fanatec, version Radio

Pour la carte TBB_01 : Importez le fichier TBB_01_CSW_Radio.txt dans Node Blue.

Ou bien téléverser le fichier TBB_01_CSW_Radio.hex dans votre Teensy LC.

Le module radio nRF24 est connecté sur les pins CE = D14 et CS = D10, le connecteur Fanatec est connecté sur CS = D2.


Pour la carte TBB_02 : Importez le fichier TBB_02_v1.2_CSW_Radio.txt dans Node Blue.

Ou bien téléverser le fichier TBB_02_v1.2_CSW_Radio.hex dans votre Teensy LC.

le module radio nRF24 est connecté sur les pins CE = D14 et CS = D15, le connecteur Fanatec est connecté sur CS = D10.


Vous devriez avoir maintenant ceci :

TBB 02 Fanatec Radio.jpg


Exportez et téléversez sur le Teensy + TBB_0x.


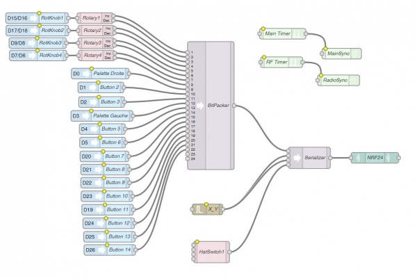
Carte embarquée sur une roue custom, version Radio

Pour la carte TBB_01 : Importez le fichier TBB_01_Wheel_Radio.txt dans Node Blue.

Le module radio nRF24 est connecté sur les pins CE = D14 et CS = D10.


TBB 01 Wheel Radio.jpg

Ceci n'est qu'un exemple, adaptez le à votre configuration de boutons, encodeurs, etc.

Il est important d'avoir 32 octets comme taille de paquet dans le module nRF24, et que les paquets soient constitués de la façon suivante :

- 3 octets pour 24 boutons.

- 1 octet pour l'axe analogique 8 bits X

- 1 octet pour l'axe analogique 8 bits Y

- 4 bits pour le bouton directionnel (hat)


Exportez et téléversez sur le Teensy + TBB_0x.


Leo24Dongle, version Radio

Le dongle va communiquer avec la roue et être vu coté PC comme un périphérique de jeu:

- Importez le fichier Leo24_CSW.txt dans Node Blue.

Pour la carte Leo24Dongle, le module radio nRF24 est connecté sur les pins CE = D10 et CS = 11 avec des paquets de 32 octets.


Leo24Fanatec.jpg


Le module HID est configuré pour avoir 24 boutons, un hat switch, et 2 axes analogiques sur 8 bits X et Y en entrée. En sortie il y a l'équivalent de 64 Leds pour les afficheurs embarqués et les moteurs vibrants. Pour que le volant soit reconnu par Fanaleds, il faut aussi configurer les paramètres "Vendor Id", "Product Id" et "Input Pad" :


Fanatec hid prop.jpg


Exportez et téléversez sur le Leo24Dongle, le dongle va être reconnue comme un périphérique de jeu. Ouvrez le gestionnaire de périphériques (par exemple en exécutant joy.cpl), vérifier que les boutons, les axes et l'encodeur fonctionnent.

Lancez Fanaleds, le volant doit vibrer et afficher "Fanaleds" en scrolling. Le type de roue devrait être reconnu dans Fanaleds :


Fanaleds.jpg

Outils personnels
Espaces de noms

Variantes
Actions
Tutoriels
Outils